Projekt regulowanego modułu obwodu zasilania stabilizowanego prądem stałym
Zasada działania układu: Po podaniu napięcia 220V AC na stronę pierwotną W1 przez transformator T, obwód uzyskuje napięcia 35V i 6V AC odpowiednio po stronie wtórnej W2 i W3 oraz zacisku strony wtórnej W2 jest prostowany przez diody VD1~VD4, kondensatory Po przefiltrowaniu przez C1 i C2, jest wprowadzany do zacisku wejściowego trzyzaciskowego scalonego obwodu stabilizującego napięcie IC, a napięcie stałe 35 V jest wyprowadzane przez układ scalony stabilizujący napięcie IC , rezystor R1 i kondensator C4. Napięcie 6V AC wyprowadzane przez cewkę W3 po stronie wtórnej wyprowadza napięcie ujemne -1},25V jako zasilanie pomocnicze przez diodę VD5, kondensator C3, rezystor R2 i diodę Zenera VS. Reostat RP jest dodawany do zacisku sterującego układu scalonego IC. Regulując reostat RP, zacisk wyjściowy może wyprowadzać zasilanie prądem stałym o wartości 0 ~ 30 V. IC wykorzystuje układ scalony regulatora napięcia z trzema zaciskami LM317; R1 i R wykorzystują rezystory metalizowane 1/2 W; C1 i C3 wykorzystują aluminiowe kondensatory elektrolityczne o napięciu wytrzymywanym odpowiednio 50 V i 10 V; C2 i C4 używają kondensatorów elektrolitycznych CD{35}}V; VD1 ~ VD5 wybiera krzemową diodę prostowniczą IN4007; VS wybiera krzemową diodę regulatora napięcia IN4106 lub 2CW60; RP może wykorzystywać organiczny, stały, dostrajający rezystor zmienny typu WSW; T wybiera transformator zasilający 10W z napięciem strony wtórnej 35V i 6V.

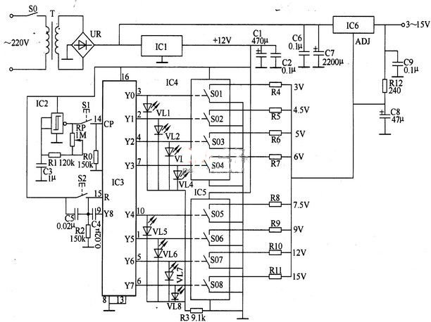
Projektowanie obwodu stabilizowanego zasilania DC ze sterowaniem numerycznym
Przedstawiony w tym przykładzie sterowany cyfrowo obwód zasilacza stabilizowanego DC wykorzystuje przyciski sterujące i cyfrowe układy scalone oraz wykorzystuje diody elektroluminescencyjne LED do wskazywania wartości napięcia wyjściowego. Napięcie wyjściowe wynosi 3- plus 15 V, łącznie 8 regulowanych poziomów. Maksymalny prąd wyjściowy wynosi 5A. Stoprądowy regulowany obwód zasilania NC składa się z obwodu napięcia regulowanego plus l2V, obwodu sterowania/wyświetlania napięcia i regulowanego obwodu wyjściowego napięcia.
Zasada działania: obwód napięcia stabilizowanego plus l2V składa się z transformatora mocy T, mostka prostowniczego uR, kondensatorów filtrujących Cl, c2, c6, c7 oraz trójzaciskowego układu scalonego stabilizowanego napięciem ICl. Obwód sterowania/wyświetlania napięcia składa się z przycisku sterującego S1, przycisku resetowania S2, rezystorów RO-Rll, potencjometru RP, kondensatorów C3-C5, układu scalonego wyzwalacza Schmitta IC2, układu scalonego zliczania dziesiętnego/rozdzielacza impulsów IC3, przełącznika elektronicznego układy scalone IC4, 1C5 i diody elektroluminescencyjne VLl-VL8 skład. Obwód wyjściowy regulatora napięcia składa się z trójzaciskowego regulowanego układu scalonego regulatora napięcia IC6, rezystora Rl2 oraz kondensatorów C6-C9. Kiedy SO jest podłączone, napięcie AC 220V jest obniżane przez T, prostowane przez UR i filtrowane przez C6 i C7, jedno wyjście jest używane jako napięcie wejściowe lC6; drugi sposób jest stabilizowany przez ICl do plusa l2V, który jest używany jako zasilanie robocze IC2-IC5. Po włączeniu i zresetowaniu lC3, jego zacisk YO wyprowadza wysoki poziom (zacisk YI-Y8 wyprowadza niski poziom), tak że przełącznik elektroniczny SO1 wewnątrz IC4 jest włączony, a R4 jest podłączony do obwodu stabilizującego napięcie. W tym czasie napięcie wyjściowe wynosi plus 3 V, jednocześnie świeci się VLl. Po naciśnięciu S1 sygnał impulsowy generowany przez oscylator złożony z IC2 i obwodowych składowych rezystancji-pojemności jest dodawany do styku 14 (zacisk CP) IC3 do S1, jako impuls zliczający IC3, a zacisk Y1 IC3 wyprowadza wysoki poziom (zacisk YO staje się niski), S02 jest podłączony, R5 jest podłączony do obwodu regulatora napięcia, napięcie wyjściowe w tym czasie wynosi plus 4,5 V, a jednocześnie świeci VL1. Gdy 51 jest wciśnięte w sposób ciągły, zaciski YO-Y8 układu IC3 będą po kolei wyprowadzać wysokie poziomy, tak że S01-S08 będzie kolejno włączany, rezystory M-Rll będą kolejno podłączane do obwodu stabilizującego napięcie , a IC6 będzie po kolei wyprowadzać od niskiego do wysokiego. ( plus 3 V, plus 4,5 V, plus 5 V, plus 6 V, plus 7,5 V, plus 9 V, plus l2V, plus l5V) 8 napięć. VLl-VL8 zapalają się po kolei. Na dowolnym biegu innym niż plus 3 V, po prostu naciśnij S2 raz, IC2 zostanie wyczyszczony i zresetowany, i powróci do najniższego biegu napięcia plus 3 V.
Wybór komponentów
Rl-Rl2 wybiera do użycia rezystor metalowy lub węglowy o mocy 1/4 W. RP wybiera do użytku organiczne stałe rezystory zmienne. Zarówno Cl, jak i C8 wykorzystują aluminiowe kondensatory elektrolityczne, których napięcie wytrzymywane wynosi 16 V; C2-C6 i C9 używają kondensatorów monolitycznych; C7 wybiera aluminiowe kondensatory elektrolityczne, których napięcie wytrzymywane wynosi 25V. VLl-VL8 wybiera do użycia diodę elektroluminescencyjną φ3mm. UR używa 2A. Mostek prostowniczy 5OV. ICl wybiera układ scalony regulatora napięcia z trzema zaciskami LM7812 lub CW7812; IC2 wybiera układ scalony wyzwalacza CD4{32}}93 Schmitta; IC3 wybiera liczenie dziesiętne CD4017 lub MCl4107/n układ scalony dystrybutora stałego ładunku; IC4 i 1C5 wybierają elektroniczny układ scalony przełącznika CD4066; IC6 wybiera układ scalony regulatora napięcia z trzema zaciskami LM317 do użytku. S0 wybiera wyłącznik zasilania o napięciu 250 V i obciążeniu prądowym styków 5 A; S1 i S2 wybierają miniaturowe przyciski przesuwania i zamykania.
